1. Application
Medical IT system insulation monitoring device and fault location system is suitable for hospital operating room, ICU (CCU) and other important places, and can provide a safe place for such continuous, reliable power solutions.
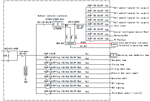
2. Structure

3. Main Functions
1).Primary connection diagram and field distribution display


2).Real-time data acquisition and display

3).Fault Alarm

4).Remote parameter setting and inquiry

5).Graphic display
Display the insulation status, load status, and the isolation transformer temperature of each set of isolated power systems in graph form.
4. Product Selection
1). AITR Series Medical isolation transformer

Isolating transformers for medical IT systems
Double insulation treatment, Electrostatic shielding layer
PT100 temperature sensor
Rated power: 3.15…10KVA
CE mark
2).AIM-M10 Medical Intelligent Insulation Monitor

Insulation monitoring for medical IT systems
Load and temperature monitoring of isolation transformer
Device disconnection monitoring
LED indicators: On, Insulation, Overload, Overtemp
Alarm relay output
Test button
RS485,MODBUS-RTU
3). AIM-M100 Medical Intelligent Insulation Monitor

Insulation monitoring for medical IT systems
Load and temperature monitoring of isolation transformer
Device disconnection monitoring
LED indicators: On, Insulation, Overload, Overtemp
Alarm relay output
Test button
RS485,MODBUS-RTU

Insulation monitoring for medical IT systems
Load and temperature monitoring of isolation transformer
Device disconnection monitoring
LED indicators: On, Insulation, Overload, Overtemp
Alarm relay output
Test button
Insulation fault location
RS485 (MODBUS-RTU) + CAN (custom protocol)
5).AID10 Alarm and Display Instrument
Remote monitoring
LED indicators:On, Insulation, Overload, Overtemp
Mute button
Test button
Power supply: DC24V
RS485,MODBUS-RTU
6).AID120 Alarm and Display Instrument
Remote monitoring
LED indicators:On, Insulation, Overload, Overtemp
Mute button
Test button
Power supply: DC24V
RS485,MODBUS-RTU
Remote monitoring
LED indicators:On, Insulation, Overload, Overtemp
Mute button
Test button
Power supply: DC24V
RS485,MODBUS-RTU

Power Supply to AID series
AC 220V input, DC 24V output
Completely Isolated Linear Transformer
Power-on indicator

Generating Fault Location Signal
Detection of L1 and L2 disconnection
LED indicators: On, Comm, L1, L2, Fault
CAN bus, custom protocol
Power supply: DC24V


Insulation fault location in AC IT systems
AIL150-4: 4 measuring channels
AIL150-8: 4 measuring channels
LED indicators: On, Comm, L1…L8
CAN bus, custom protocol
Power supply: DC24V
5. Typical Solution
1).Four-piece set
2).Five-piece set

3).Seven-piece set

6. Photos on site


English
日本語
한국어
français
Deutsch
Español
italiano
русский
português
tiếng việt
Türkçe
العربية